sales@forcetm.by
г. Минск, 4-й Загородный переулок, 58Б, офис 11
sales@forcetm.by
г. Минск, 4-й Загородный переулок, 58Б, офис 11

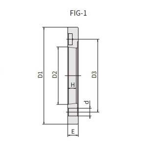
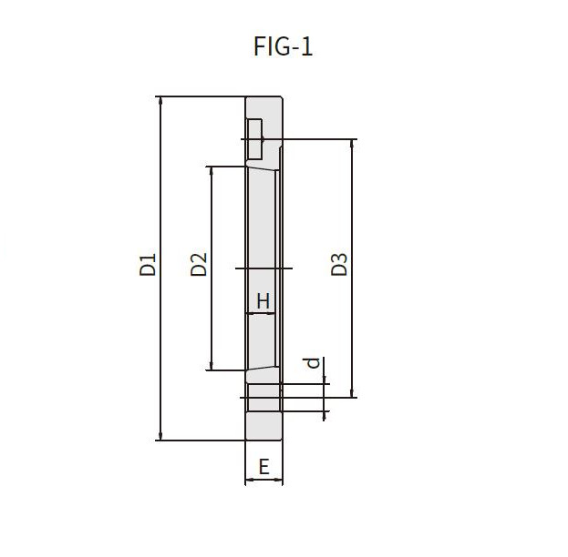
Фланец переходной FL-18A11

Основные характеристики

Переходной фланец для механизированных патронов N, NB и V.

Характеристики
D1
300
D2
196,869
D3
235
H
16
E
22
d
6-Ф21

ООО "ФорсТехМаш" - поставщик станочной оснастки номер ОДИН в Беларуси!


Адрес:
220073 г. Минск, 4-й Загородный переулок, 58Б, офис 11
Меню