sales@forcetm.by
г. Минск, 4-й Загородный переулок, 58Б, офис 11
sales@forcetm.by
г. Минск, 4-й Загородный переулок, 58Б, офис 11

Патрон токарный 7100-0048

Основные характеристики

Патрон токарный 7100-0048. Все комплектующие в наличии. Гарантийный срок 12 месяцев. Сертификат безопасности и акты испытаний на белорусских заводах.

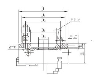
Характеристики
D, мм
500
D1, мм
139,719
D2, мм
171,4
D3, мм
190
h, мм
18
h1
14
H1, мм
135
№ конуса
8-й
z-d
4-М16
аналог БелТапаз
3-500.48.30

ООО "ФорсТехМаш" - поставщик станочной оснастки номер ОДИН в Беларуси!


Адрес:
220073 г. Минск, 4-й Загородный переулок, 58Б, офис 11
Меню