sales@forcetm.by
г. Минск, 4-й Загородный переулок, 58Б, офис 11
sales@forcetm.by
г. Минск, 4-й Загородный переулок, 58Б, офис 11

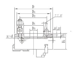
Патрон токарный 7100-0052

Основные характеристики

Патрон токарный 7100-0052. Диаметр 630мм. 11-й конус. Гарантийный срок 12 месяцев. Сертификат безопасности.

Характеристики
D, мм
630
D1, мм
196,869
D2, мм
235
D3, мм
190
h1
16
H1, мм
150
№ конуса
11-й
z-d
6-М20
аналог БелТапаз
3-630.52.30

ООО "ФорсТехМаш" - поставщик станочной оснастки номер ОДИН в Беларуси!


Адрес:
220073 г. Минск, 4-й Загородный переулок, 58Б, офис 11
Меню