sales@forcetm.by
г. Минск, 4-й Загородный переулок, 58Б, офис 11
sales@forcetm.by
г. Минск, 4-й Загородный переулок, 58Б, офис 11

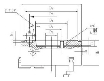
Патрон токарный 7100-0069/70

Основные характеристики

Патрон токарный 7100-0069/70 (цельные/сборные кулачки). Все комплектующие в наличии. Гарантийный срок 12 месяцев. Сертификат безопасности и акты испытаний на белорусских заводах.

Характеристики
D, мм
630
D1, мм
285,775
D2, мм
330,2
D3, мм
200
h, мм
21
h1
17
H1, мм
160
№ конуса
15-й
z-d
6-М24

ООО "ФорсТехМаш" - поставщик станочной оснастки номер ОДИН в Беларуси!


Адрес:
220073 г. Минск, 4-й Загородный переулок, 58Б, офис 11
Меню