sales@forcetm.by
г. Минск, 4-й Загородный переулок, 58Б, офис 11
sales@forcetm.by
г. Минск, 4-й Загородный переулок, 58Б, офис 11

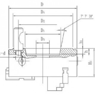
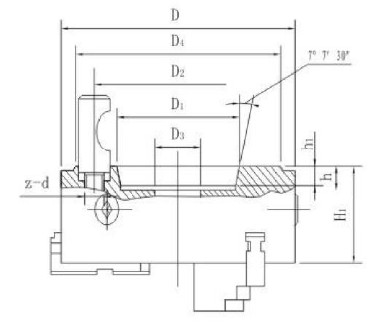
Патрон токарный 7100-0077

Основные характеристики

Патрон токарный 7100-0077. Все комплектующие в наличии. Гарантийный срок 12 месяцев. Сертификат безопасности и акты испытаний на белорусских заводах.

Характеристики
D, мм
200
D1, мм
82,563
D2, мм
104,8
D3, мм
60
H1, мм
88
№ конуса
5-й
z-d
6хМ12х1,0

ООО "ФорсТехМаш" - поставщик станочной оснастки номер ОДИН в Беларуси!


Адрес:
220073 г. Минск, 4-й Загородный переулок, 58Б, офис 11
Меню