Основные характеристики
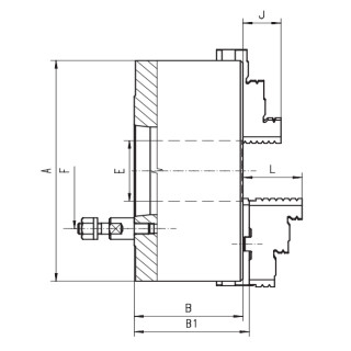
Корпус стальной, крепление (DIN 55027). Со сборными кулачками. Отшлифованные рабочие поверхности.
ООО "ФорсТехМаш" - поставщик станочной оснастки номер ОДИН в Беларуси!
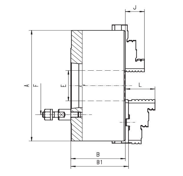
Корпус стальной, крепление (DIN 55027). Со сборными кулачками. Отшлифованные рабочие поверхности.
ООО "ФорсТехМаш" - поставщик станочной оснастки номер ОДИН в Беларуси!
| Наименование | E | A | B | F | G | Артикул |
|---|---|---|---|---|---|---|
| Патрон токарный 3535-125-3 | 32 | 125 | 59,5 | 75 | 3хМ8 | 353535570000 |
| Патрон токарный 3535-125-4 | 32 | 125 | 59,5 | 85 | 3хМ10 | 353535580200 |
| Патрон токарный 3535-160-4 | 42 | 160 | 68 | 85 | 3хМ10 | 353535600900 |
| Патрон токарный 3535-160-5 | 42 | 160 | 68 | 104,8 | 4хМ10 | 353535610000 |
| Патрон токарный 3535-200-5 | 55 | 200 | 78 | 104,8 | 4хМ10 | 353535630400 |
| Патрон токарный 3535-200-6 | 55 | 200 | 78 | 133,4 | 4хМ12 | 353535670100 |
| Патрон токарный 3535-250-6 | 76 | 250 | 89 | 133,4 | 4хМ12 | 353535670100 |
| Патрон токарный 3535-250-8 | 76 | 250 | 89 | 171,4 | 4хМ16 | 353535680300 |
| Патрон токарный 3535-315-6 | 103 | 315 | 96,2 | 133,4 | 4хМ12 | 353535700000 |
| Патрон токарный 3535-315-8 | 103 | 315 | 96,2 | 171,4 | 4хМ16 | 353535710100 |
| Патрон токарный 3535-315-11 | 103 | 315 | 111,7 | 235 | 6хМ20 | 353535711400 |
| Патрон токарный 3535-400-8 | 136 | 400 | 108 | 171,4 | 4хМ16 | 353535720300 |
| Патрон токарный 3535-400-11 | 136 | 400 | 108 | 235 | 6хМ20 | 353535730500 |
| Патрон токарный 3535-500-8 | 136 | 500 | 119 | 171,4 | 4хМ16 | 353535450600 |
| Патрон токарный 3535-500-11 | 190 | 500 | 119 | 235 | 6хМ20 | 353535460800 |
| Патрон токарный 3535-630-11 | 190 | 630 | 129 | 235 | 6хМ20 | 353535470000 |
| Патрон токарный 3535-630-15 | 252 | 630 | 129 | 330,2 | 6хМ24 | 353535480100 |