sales@forcetm.by
г. Минск, 4-й Загородный переулок, 58Б, офис 11
sales@forcetm.by
г. Минск, 4-й Загородный переулок, 58Б, офис 11

Держатель инструмента VDI C4

Основные характеристики

Аксиальный резцедержатель C4 левый перевернутый с хвостовиком VDI 3425 DIN69880.

Применяется для токарной обработки на станках с ЧПУ (числовым программным управлением).
Тип VDI: C4


ООО "ФорсТехМаш" - поставщик станочной оснастки номер ОДИН в Беларуси!


Адрес:
220073 г. Минск, 4-й Загородный переулок, 58Б, офис 11

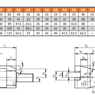
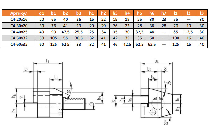
Наименование d1 b1 b2 b3 h1 h2 h3 h4 h5 h6 h7 l1 l2 l3
Резцедержатель VDI C4-60x32 STARDA 20 65 40 26 16 22 19 19 25 30 23 55 - 30
Резцедержатель VDI C4-20x16 STARDA 30 76 41 23 20 29 26 22 28 38 28 70 10 30
Резцедержатель VDI C4-40x25 STARDA 40 90 47,5 25,5 25 34 35 30 32,5 48 - 85 12,5 30
Резцедержатель VDI C4-50x32 STARDA 50 105 55 30,5 32 41 42 35 35 60 - 100 16 40
Резцедержатель VDI C4-60x32 STARDA 60 125 62,5 33 32 41 46 42,5 62,5 62,5 - 125 16 40
Меню