sales@forcetm.by
г. Минск, 4-й Загородный переулок, 58Б, офис 11
sales@forcetm.by
г. Минск, 4-й Загородный переулок, 58Б, офис 11

Резцедержатель VDI C4-50x32 STARDA

Основные характеристики

Держатель инструмента VDI C4-50x32 STARDA
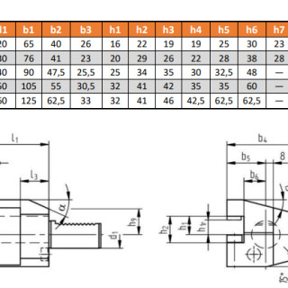
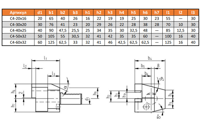
VDI С4-50х32 STARDA
Аксиальный резцедержатель C4-50x32 левый перевернутый с хвостовиком VDI50-3425 DIN69880.
Резцедержатель аксиальный левый обратный (тип C4) с хвостовиком VDI 3425 по DIN 69880 (ГОСТ 24900-81).
Применяется для токарной обработки на станках с ЧПУ (числовым программным управлением).
Тип VDI: C4
Размер VDI: 50 мм
Размер под резец: высота h1/h2 - с проставкой 32 мм/без проставки 41 мм.

Характеристики
d1
50
b1
105
b2
55
b3
30,5
h1
32
h2
41
h3
42
h4
35
h5
35
h6
60
h7
-
l1
100
l2
16
l3
40

ООО "ФорсТехМаш" - поставщик станочной оснастки номер ОДИН в Беларуси!


Адрес:
220073 г. Минск, 4-й Загородный переулок, 58Б, офис 11
Меню