sales@forcetm.by
г. Минск, 4-й Загородный переулок, 58Б, офис 11
sales@forcetm.by
г. Минск, 4-й Загородный переулок, 58Б, офис 11

Кулачки, рейки накладки к патронам D125 (Bison)

Основные характеристики

Кулачки, рейки накладки к патронам D125

 

Кулачки прямые цельные каленые - SJZ-125 (398535020200)
Кулачки обратные цельные каленые - SJW-125 (398535120300)

Кулачки мягкие цельные - SJM-125 (398536020000)

 

Рейки - SP-125 (398535720900)

Кулачки каленые накладные универсальные(реверсивные) - SGT-125 (398532820500)

Кулачки мягкие накладные - SGM-125 (398533020600)

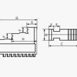
Характеристики
E
8
H
33.5
Шаг
7
C
40
A
51
B
20
D
8
F
8
G
13

ООО "ФорсТехМаш" - поставщик станочной оснастки номер ОДИН в Беларуси!


Адрес:
220073 г. Минск, 4-й Загородный переулок, 58Б, офис 11
Меню