Основные характеристики
На нашем складе всегда в полном ассортименте представлены все комплектующие к токарным патронам Bison (Польша).
ООО "ФорсТехМаш" - поставщик станочной оснастки номер ОДИН в Беларуси!
На нашем складе всегда в полном ассортименте представлены все комплектующие к токарным патронам Bison (Польша).
ООО "ФорсТехМаш" - поставщик станочной оснастки номер ОДИН в Беларуси!
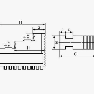
| Наименование | E | H | Шаг | C | A | B | D | F | G |
|---|---|---|---|---|---|---|---|---|---|
| Кулачки, рейки накладки к патронам D80 (Bison) | 6 | 21 | 6 | 28 | 32 | 11 | 6 | 6 | 9.5 |
| Кулачки, рейки накладки к патронам D100 (Bison) | 6 | 27 | 6 | 32 | 42 | 15 | 6 | 7 | 11 |
| Кулачки, рейки накладки к патронам D125 (Bison) | 8 | 33.5 | 7 | 40 | 51 | 20 | 8 | 8 | 13 |
| Кулачки, рейки накладки к патронам D160 (Bison) | 8 | 45 | 8 | 53 | 70 | 20 | 8 | 10 | 19 |
| Кулачки, рейки накладки к патронам D200 (Bison) | 10 | 57 | 8 | 54 | 85 | 25 | 9 | 12 | 23 |
| Кулачки, рейки накладки к патронам D250 (Bison) | 12 | 69.5 | 9/10 | 63 | 105 | 28 | 11 | 14 | 28 |
| Кулачки, рейки накладки к патронам D315 (Bison) | 12 | 83 | 10 | 73 | 125 | 32 | 12.7 | 18 | 34.5 |
| Кулачки, рейки накладки к патронам D400 (Bison) | 14 | 99 | 12 | 92 | 145 | 36 | 15 | 22 | 36 |
| Кулачки, рейки накладки к патронам D500 (Bison) | 14 | 120 | 14,2 | 100 | 180 | 40 | 16 | 26 | 50 |
| Кулачки, рейки накладки к патронам D630 (Bison) | 14 | 149 | 14,2 | 110 | 225 | 50 | 16 | 28 | 65 |