sales@forcetm.by
г. Минск, 4-й Загородный переулок, 58Б, офис 11
sales@forcetm.by
г. Минск, 4-й Загородный переулок, 58Б, офис 11

Кулачки, рейки накладки к патронам D250 (Bison)

Основные характеристики

Кулачки, рейки накладки к патронам D250

 

Кулачки прямые цельные каленые - SJZ-250 (398535050800)

Кулачки прямые цельные каленые - SJZ-250 CT (398539090800)
Кулачки обратные цельные каленые - SJW-250 (398535150900)

Кулачки обратные цельные каленые - SJW-250 CT (398535220400)

Кулачки мягкие цельные - SJM-250 (398536050600)

 

Рейки - SP-2500 (398535750400)

Кулачки каленые накладные универсальные(реверсивные) - SGT-250 (398532850000)

Кулачки мягкие накладные - SGM-250 (398533050100)

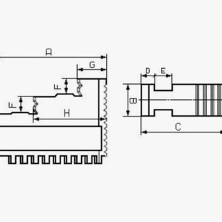
Характеристики
E
12
H
69.5
Шаг
9/10
C
63
A
105
B
28
D
11
F
14
G
28

ООО "ФорсТехМаш" - поставщик станочной оснастки номер ОДИН в Беларуси!


Адрес:
220073 г. Минск, 4-й Загородный переулок, 58Б, офис 11
Меню