sales@forcetm.by
г. Минск, 4-й Загородный переулок, 58Б, офис 11
sales@forcetm.by
г. Минск, 4-й Загородный переулок, 58Б, офис 11

Кулачки, рейки накладки к патронам D160 (Bison)

Основные характеристики

Кулачки, рейки накладки к патронам D160

 

Кулачки прямые цельные каленые - SJZ-160 (398535030400)
Кулачки обратные цельные каленые - SJW-160 (398535130500)

Кулачки мягкие цельные - SJM-160 (398536030200)

 

Рейки - SP-160 (398535730000)

Кулачки каленые накладные универсальные(реверсивные) - SGT-160 (398532830700)

Кулачки мягкие накладные - SGM-160 (398533030800)

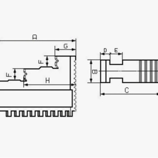
Характеристики
E
8
H
45
Шаг
8
C
53
A
70
B
20
D
8
F
10
G
19

ООО "ФорсТехМаш" - поставщик станочной оснастки номер ОДИН в Беларуси!


Адрес:
220073 г. Минск, 4-й Загородный переулок, 58Б, офис 11
Меню