sales@forcetm.by
г. Минск, 4-й Загородный переулок, 58Б, офис 11
sales@forcetm.by
г. Минск, 4-й Загородный переулок, 58Б, офис 11

Кулачки, рейки накладки к патронам D630 (Bison)

Основные характеристики

Кулачки, рейки накладки к патронам D630

 

Кулачки прямые цельные каленые - SJZ-630 (398535090500)
Кулачки обратные цельные каленые - SJW-630 (398535190600)

Кулачки мягкие цельные - SJM-630 (398536090300)

 

Рейки - SP-630 (398535790100)

Кулачки каленые накладные универсальные(реверсивные) - SGT-630 (398532890800)

Кулачки мягкие накладные - SGM-630 (398533090900)

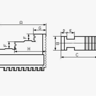
Характеристики
E
14
H
149
Шаг
14,2
C
110
A
225
B
50
D
16
F
28
G
65

ООО "ФорсТехМаш" - поставщик станочной оснастки номер ОДИН в Беларуси!


Адрес:
220073 г. Минск, 4-й Загородный переулок, 58Б, офис 11
Меню