sales@forcetm.by
г. Минск, 4-й Загородный переулок, 58Б, офис 11
sales@forcetm.by
г. Минск, 4-й Загородный переулок, 58Б, офис 11

Кулачки, рейки накладки к патронам D400 (Bison)

Основные характеристики

Кулачки, рейки накладки к патронам D400

 

Кулачки прямые цельные каленые - SJZ-400 (398535070100)
Кулачки обратные цельные каленые - SJW-400 (398535170200)

Кулачки мягкие цельные - SJM-400 (398536070000)

 

Рейки - SP-400 (398535770800)

Кулачки каленые накладные универсальные(реверсивные) - SGT-400 (398532870400)

Кулачки мягкие накладные - SGM-400 (398533070500)

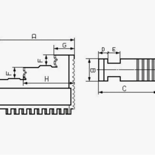
Характеристики
E
14
H
99
Шаг
12
C
92
A
145
B
36
D
15
F
22
G
36

ООО "ФорсТехМаш" - поставщик станочной оснастки номер ОДИН в Беларуси!


Адрес:
220073 г. Минск, 4-й Загородный переулок, 58Б, офис 11
Меню