sales@forcetm.by
г. Минск, 4-й Загородный переулок, 58Б, офис 11
sales@forcetm.by
г. Минск, 4-й Загородный переулок, 58Б, офис 11

Кулачки, рейки накладки к патронам D200 (Bison)

Основные характеристики

Кулачки, рейки накладки к патронам D200

 

Кулачки прямые цельные каленые - SJZ-200 (398535040600)
Кулачки обратные цельные каленые - SJW-200 (398535140700)

Кулачки мягкие цельные - SJM-200 (398536040400)

 

Рейки - SP-200 (398535740200)

Кулачки каленые накладные универсальные(реверсивные) - SGT-200 (398532840900)

Кулачки мягкие накладные - SGM-200 (398533040000)

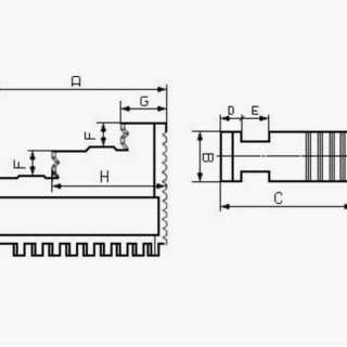
Характеристики
E
10
H
57
Шаг
8
C
54
A
85
B
25
D
9
F
12
G
23

ООО "ФорсТехМаш" - поставщик станочной оснастки номер ОДИН в Беларуси!


Адрес:
220073 г. Минск, 4-й Загородный переулок, 58Б, офис 11
Меню