sales@forcetm.by
г. Минск, 4-й Загородный переулок, 58Б, офис 11
sales@forcetm.by
г. Минск, 4-й Загородный переулок, 58Б, офис 11

Кулачки, рейки накладки к патронам D315 (Bison)

Основные характеристики

Кулачки, рейки накладки к патронам D315

 

Кулачки прямые цельные каленые - SJZ-315 (398535060000)
Кулачки обратные цельные каленые - SJW-315 (398535160000)

Кулачки мягкие цельные - SJM-315 (398536060800)

 

Рейки - SP-315 (398535760600)

Кулачки каленые накладные универсальные(реверсивные) - SGT-315 (398532860200)

Кулачки мягкие накладные - SGM-315 (398533060300)

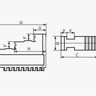
Характеристики
E
12
H
83
Шаг
10
C
73
A
125
B
32
D
12.7
F
18
G
34.5

ООО "ФорсТехМаш" - поставщик станочной оснастки номер ОДИН в Беларуси!


Адрес:
220073 г. Минск, 4-й Загородный переулок, 58Б, офис 11
Меню