sales@forcetm.by
г. Минск, 4-й Загородный переулок, 58Б, офис 11
sales@forcetm.by
г. Минск, 4-й Загородный переулок, 58Б, офис 11

Кулачки, рейки накладки к патронам D500 (Bison)

Основные характеристики

Кулачки, рейки накладки к патронам D500

 

Кулачки прямые цельные каленые - SJZ-500 (398535080300)
Кулачки обратные цельные каленые - SJW-500 (398535180400)

Кулачки мягкие цельные - SJM-500 (398536080100)

 

Рейки - SP-500 (398535780000)

Кулачки каленые накладные универсальные(реверсивные) - SGT-500 (398532880600)

Кулачки мягкие накладные - SGM-500 (398533080700)

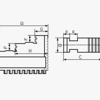
Характеристики
E
14
H
120
Шаг
14,2
C
100
A
180
B
40
D
16
F
26
G
50

ООО "ФорсТехМаш" - поставщик станочной оснастки номер ОДИН в Беларуси!


Адрес:
220073 г. Минск, 4-й Загородный переулок, 58Б, офис 11
Меню