sales@forcetm.by
г. Минск, 4-й Загородный переулок, 58Б, офис 11
sales@forcetm.by
г. Минск, 4-й Загородный переулок, 58Б, офис 11

Патрон токарный 7100-0029

Основные характеристики

Патрон токарный 7100-0029. Все комплектующие в наличии. Гарантийный срок 12 месяцев. Сертификат безопасности и акты испытаний на белорусских заводах.

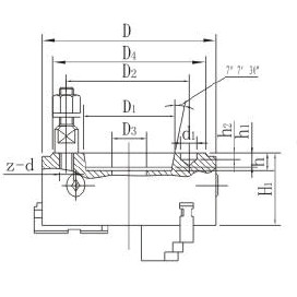
Характеристики
D, мм
160
D1, мм
82,563
D2, мм
104,8
D3, мм
40
h, мм
15
h1
12
H1, мм
78
№ конуса
5-й
z-d
4-М10
аналог БелТапаз
3-160.05.229

ООО "ФорсТехМаш" - поставщик станочной оснастки номер ОДИН в Беларуси!


Адрес:
220073 г. Минск, 4-й Загородный переулок, 58Б, офис 11
Меню