sales@forcetm.by
г. Минск, 4-й Загородный переулок, 58Б, офис 11
sales@forcetm.by
г. Минск, 4-й Загородный переулок, 58Б, офис 11

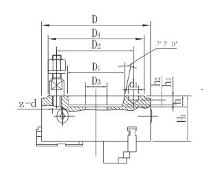
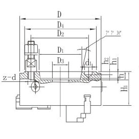
Тип 2 Исполнение 1 - посадка на конус, с цельными кулачками

Основные характеристики

FORCECHUCK(Китай) - лучший выбор из токарных патронов!

Посадки изготовлены по ГОСТу. Гарантийный срок 12 месяцев. Сертификат безопасности и акты испытаний на белорусских заводах.

Все диаметры в наличии и комплектующие к ним - прямые и обратные кулачки, рейки, накладки, шестерни, диски. 


ООО "ФорсТехМаш" - поставщик станочной оснастки номер ОДИН в Беларуси!


Адрес:
220073 г. Минск, 4-й Загородный переулок, 58Б, офис 11

Наименование D, мм D1, мм D2, мм D3, мм h, мм h1 H1, мм № конуса z-d аналог БелТапаз
Патрон токарный 7100-0027 160 63,513 85 40 13 10 78 4-й 3-М10 3-160.05.227
Патрон токарный 7100-0029 160 82,563 104,8 40 15 12 78 5-й 4-М10 3-160.05.229
Патрон токарный 7100-0031 200 82,563 104,8 60 15 12 88 5-й 4-М10 3-200.31.214 
Патрон токарный 7100-0033 200 106,375 133,4 60 16 13 88 6-й 4-М12 3-200.33.214
Патрон токарный 7100-0035 250 106,375 133,4 70 16 13 95 6-й 4-М12 3-250.35.234
Патрон токарный 7100-0037 250 139,719 171,4 80 18 14 95 8-й 4-М16 3-250.37.234
Патрон токарный 7100-0039 315 106,375 133,4 100 16 13 112 6-й 4-М12 3-315.39.234
Патрон токарный 7100-0041 315 139,719 171,4 100 18 14 112 8-й 4-М16 3-315.41.234
Патрон токарный 7100-0055 315 196,869 235 100 18 14 112 11-й 6-М20 3-315.55.234
Патрон токарный 7100-0043 400 139,719 171,4 130 18 14 122 8-й 4-М16 3-400.43.234
Патрон токарный 7100-0045 400 196,869 235 130 20 16 122 11-й 6-М20 3-400.45.234
Патрон токарный 7100-0047 500 139,719 171,4 190 - 14 135 8-й 4-М16 3-500.47.24
Патрон токарный 7100-0049 500 196,869 235 190 - 16 135 11-й 6-М20 3-500.49.24
Патрон токарный 7100-0051 630 196,869 235 190 - 16 150 11-й 6-М20 3-630.51.24
Патрон токарный 7100-0053 630 285,775 330,2 260 21 17 150 15-й 6-М24 3-630.53.24
Меню