sales@forcetm.by
г. Минск, 4-й Загородный переулок, 58Б, офис 11
sales@forcetm.by
г. Минск, 4-й Загородный переулок, 58Б, офис 11

Патрон токарный 7100-0039

Основные характеристики

Патрон токарный 7100-0039. Все комплектующие в наличии. Гарантийный срок 12 месяцев. Сертификат безопасности и акты испытаний на белорусских заводах.

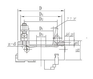
Характеристики
D, мм
315
D1, мм
106,375
D2, мм
133,4
D3, мм
100
h, мм
16
h1
13
H1, мм
112
№ конуса
6-й
z-d
4-М12
аналог БелТапаз
3-315.39.234

ООО "ФорсТехМаш" - поставщик станочной оснастки номер ОДИН в Беларуси!


Адрес:
220073 г. Минск, 4-й Загородный переулок, 58Б, офис 11
Меню