sales@forcetm.by
г. Минск, 4-й Загородный переулок, 58Б, офис 11
sales@forcetm.by
г. Минск, 4-й Загородный переулок, 58Б, офис 11

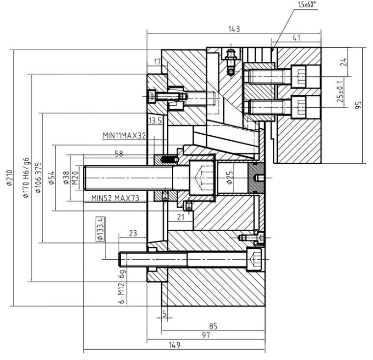
Высокоточный механизированный патрон с закрытым центром ПКМ-210М.А6

Основные характеристики

Высокоточный механизированный патрон с закрытым центром ПКМ-210М.А6

Характеристики
Диаметр патрона
210
Тип крепления
A6
Старая маркировка
7102-0071М

ООО "ФорсТехМаш" - поставщик станочной оснастки номер ОДИН в Беларуси!


Адрес:
220073 г. Минск, 4-й Загородный переулок, 58Б, офис 11
Меню